开思视频网

 找回密码
 注册
开思网高精度工业级3D打印

视频信息

  • 视频来源:杨正
  • 视频作者:杨正
  • 语言字幕:国语(无字幕)
  • 软件版本:SOLIDWORKS 2014
  • 视频时长:10:00
  • 播放次数:27338

相关视频

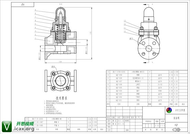
36.2 实例3:安全阀工程图设计(下)- SolidWorks 2014 实用教程全套视频教程

查看数: 27338 | 评论数: 0 | 收藏 1
关灯 | 提示:支持键盘翻页<-左 右->
    组图打开中,请稍候......
发布时间: 2014-6-24 18:23

正文摘要:

提示:全屏观看视频,更清晰、更高清! 视频简介 PDF格式: 链接: https://pan.baidu.com/s/1ntNXjVN 密码: dwwt SOLIDWORKS 2014 实用教程全套视频教程,以SolidWorks 2014 实际应用为基础,以三 ...

回复

小黑屋|手机版|开思视频网  繁體中文

GMT+8, 2026-5-13 13:49 , Processed in 0.049429 second(s), 14 queries , Gzip On, Redis On.

Powered by Discuz! X3.3

© 2002-2025 www.iCAx.org

快速回复 返回顶部 返回列表